
产品概述:
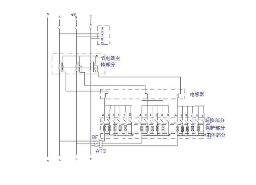
电能优化节能设备采用自适应检测法,专门设计阻波与陷波回路,将电压作为参考输入,负载电流作为原始输入,从负载电流中消去与电压波形相同的有功分量,得到需要补偿的谐波和无功分量,抑制和削减电压、电流谐波畸变分量,使该部分谐波畸变分量不会在供电网络、电力变压器以及用电设备中产生循环及叠加,它 能有效地将有害谐波拒之门外。该设备既可以抑制来自电源的谐波成份和瞬变成份,又可以使用电设备自身所 形成的谐波成份尽量减少对电网的传送,从而起到清洁电网的作用,真正达到科学的节电效果。
电能优化节能设备采取了独特的接线方式,巧妙地利用了电向量和磁通向量之间的关系,使二相绕组的相与相之间,不再是相互独立的关系,而是形成相互关联、相互作用的统一系统。绕组的相互交叉连接,可以消除各相位间的电压和电流的不均衡,维持控制其取衡性。相互补偿磁芯的磁通量,最大限度地控制各相感应电动势的一致性,从而保持二相取衡。


产品结构:

产品规格:

产品特点:


安全保障:



地址:南京江宁空港枢纽经济区博爱路1号
联系人:张经理
手机:13815874199
邮箱:53010877@qq.com
二维码